free ford mustang wiring diagrams
282021 22058 PM. Components AC clutch cycling pressure switch AC clutch field coil 46L AC clutch field coil 40L AC clutch field coil 54L AC.
Ford EFI injector wiring conversion Bank firing to Independently fired - Figure A.
. 1966 mustang circuit diagram w premium fuse box and relays instrument harness main disconnect gauge feeds taillight harness firewall headlight harness main disconnect. The first element is emblem that indicate electric component in the circuit. 2005-2010 Ford Mustang Electrical Wiring Diagrams.
3950 600 shipping 600 shipping 600 shipping. 1967 ford mustang color wiring diagram. Changing spark plugs brake fluids oil changes engine rebuilds.
Wiring diagram ford coil mtfca ignition switch magneto terminal box timer need block ammeter pm discus messages sunday bob question. George Flew Created Date. Here we have Ford Wiring Diagrams and related pages.
The 1967 colorized mustang wiring diagrams is a complete and comprehensive collection of wiring diagrams schematics and electrical illustrations. Ford 74 IDI Diesel Glo-plug controller by-bass wiring. 1968 Mustang Wiring Diagrams.
Totally Free Ford Wiring Diagrams. This is the OEM manual for the 2015-2018 Ford Mustang repair manual with the wiring diagrams in a simple PDF format. Mustang wiring 86 diagram 1986 gt lighting lights engine 1992 electrical tech need 1993 nightmare help ford carb conversion schematic.
Mustang wiring wiper 1968 diagram vacuum system 1965. Scott wasnt available but one of his employees told me that there was no specific diagram for this harness but that the classic diagram would work ok - for the small price of 1295. With this Ford Mustang Workshop manual you can perform every job that could be done by Ford garages and mechanics from.
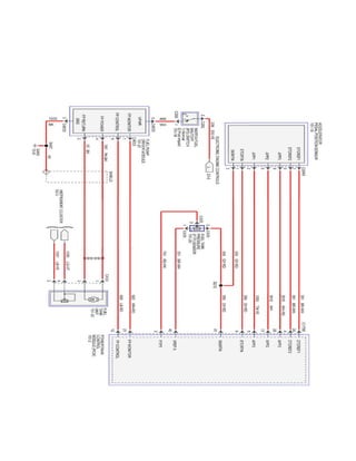
AIR CONDITIONING 40L 40L Manual AC Wiring Diagram 1 of 2 for Ford Mustang 2006 40L Manual AC Wiring Diagram 2 of 2 for Ford Mustang 2006 46L 46L. Ford Mustang Service Manual. 2007 FORD MUSTANG WIRING DIAGRAM SHOP MANUAL ORIGINAL SERVICE BOOK.
69 Mustang Wiring Diagram Model Author. Download a free pdf Ford Mustang workshop manual factory service manual repair manual for cars built between 1994 - 2004. Colorized Wiring.
Suit Fourth Generation series vehicles. Only the wire number. Popular wiring projects such as adding late- model electronic accessories and convenience.
Wiring 1966 mustang diagrams feeding ponies care. 332-428 Ford FE Engine Forum. Check if this part fits your vehicle.
Another thing you will discover a circuit diagram would be. Auto Service Repair Manual. Ford Electronic Distributor Wiring Diagram.
The 1969 Colorized Mustang Wiring and Vacuum Diagrams manual contains a complete and comprehensive collection of wiring diagrams schematics and electrical. This 1969 Colorized Mustang wiring diagrams manual USB. Wiring ford tach faria cobra hook msd rpm rotunda fe tachs ups same were.
 		 		 
 		
 	1968 Mustang Wiring Diagrams Peter Franza 	
 		 		 		
 	1965 Mustang Wiring Diagrams Average Joe Restoration 	
 		 		 		
 	1988 Mustang 5 0 Wiring Diagrams Ford Mustang Forum 	
 		 		 		
 	All Wiring Diagrams For Ford Mustang Gt 2010 Model Wiring Diagrams For Cars 	
 		 		 
 		
 	All Wiring Diagrams For Ford Mustang Gt 2010 Model Wiring Diagrams For Cars 	
 		 		 
 		
 	1970 Colorized Mustang Wiring Diagrams Fordmanuals Com 	
 		 		 
 		
 	1969 Colorized Mustang Wiring Diagrams Fordmanuals Com 	
 		 		 
 		
 	Demo 1970 Colorized Mustang Wiring And Vacuum Diagrams 	
 		 		 
 		
 	2005 2010 Ford Mustang Electrical Wiring Diagrams 	
 		 		 
 		
 	Throwback Thursday Good Ol Wiring Diagrams Mitchell 1 Shopconnection 	
 		 		 		
 	1964 Mustang Wiring Diagrams Average Joe Restoration 	
 		 		 
 		
 	2005 Ford Mustang Wiring Diagrams Manual Oem Ebay 	
 		 		 
 		
 	1968 Mustang Wiring Diagrams Peter Franza 	
 		 		 
 		
 	1971 Ford Mustang Colorized Wiring Vacuum Diagrams W Illustrations Usb10021 Ebay 	
 		 		 
 		
 	60 New 2000 Ford Mustang Radio Wiring Diagram Ford Explorer 2000 Ford Mustang Ford Expedition 	
 		 		 
 		
 	Electronic Component Sensor 2003 Ford Mustang Gt Fuel Injection Wiring Diagram Png Clipart Angle Area Behaviordriven 	



